发布日期: 2022-08-13
? ? ? ? 麻古石是一种常见的矿石,而这类矿石是一款比较容易破碎的矿石,也是很多制砂厂用户们使用的一款机制砂矿石。那么选择哪款破碎机设备制作机制砂效果好呢,小编带您了解一款麻古石对辊制砂机。

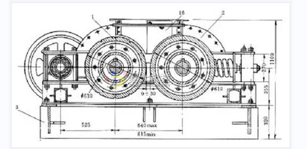
? ? ? ? ?麻古石对辊制砂机工作原理:
? ? ? ?麻古石对辊制砂机是利用辊轮相互挤压物料破碎,在制砂领域也是常见的一款机制砂设备,只不过用来制砂时产量比较小。属挤压式破碎原理,所以生产成品粒型较差,但出料粒度相对均匀。比较适应于加工高硬物料,比如花岗岩、石英石、玄武岩等硬料矿石。

? ? ? ? ?对辊制砂机进料粒度相对较小,大不能超过40mm,出料粒度在2-10mm之间,时产能力在5-110t左右。
怎么选择麻古石对辊制砂机生产厂家呢?
? ? ? ? ?1.可供选择设备的类型
目前市场发展速度相当的快,市场上的制砂机厂家滔滔不绝,并且各种类型的制砂机也有很多,因此在选择时一定要熟知所选购的设备类型是否与使用需求相符合。
? ? ? ? 2.合作流程
? ? ? ?用户在选购设备厂家时,要熟悉合作厂家整个流程和相关规定,以免出现不必要的麻烦,影响生产进程。
? ? ? ? 3.是否签订合同
对于合作的厂家,一定要将合作的细节以及具体事宜全部体现在合同的各项条款中,包括型号、数量、类型、付款方式等多种细节,并且要对厂家的营业执照等相关资质进行核实,以便用户放心选购。

以上讲解了一些关于麻古石对辊制砂机的够工作原理和怎么去选购麻古石对辊制砂机。您也对麻古石对辊制砂机有了一些了解,想要了解更多的制砂机问题的可再线咨询,我们技术人员给您解答。也可带料来我们巩义市城区鼎大机械厂家现场试机看效果。
? ? ? ?